Martyr Gori Propeller Ring Anode - Zinc

฿1,035
Выбор варианта
To pre-order this variant call +66 (0) 76 239 113 or contact us:

Имя:*

Электронная почта:*
Номер телефона:
Сообщение: *
* Обязательные поля
Looking for wholesale pricing & volume discounts? Become a dealer! »»
Описание продукта

*** use Option (1) to select Type ***


Martyr Gori ring shaft anode for saildrive and shaft propeller


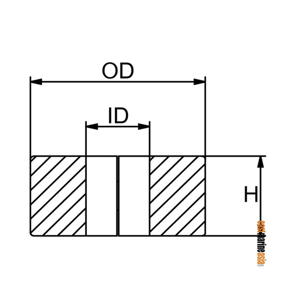
Product Number

Suit

Weight

OD

ID

H

CM15539500Z

18"-20" 3-Blade Saildrive

0.844 kg

95 mm

60 mm

34 mm

CM15540000Z

22"-26" 3-Blade Shaft

1.214 kg

95 mm

63 mm

47 mm

CM15530000Z

18"-20" 3-Blade Shaft

0.860 kg

83 mm

53 mm

40 mm

CM15500000Z

28"-30" 3-Blade Shaft

1.907 kg

127 mm

90 mm

50 mm

CM15670000Z

12.5"-18" 2-Blade Saildrive

0.504 kg

97 mm

80 mm

40 mm

CM15527500Z

15"-16.5" 3-Blade Saildrive

0.302 kg

80 mm

55 mm

23 mm


SKU: #